• Suitable for mounting several 5-axis vises at one processing.
  • It can also be installed on the customer's own fixtures and tooling tombstones as a multi-clamping solution.

1. Modular design: Can be quickly assembled and adapted to different production needs, improving flexibility and scalability.

2. Compatible with 3-axis, 4-axis, and 5-axis machines and indexing plates, it is suitable for a wide range of processing applications and enhances production capacity.

3. High-precision positioning ensures accurate clamping of workpieces

4. Directly clamp the workpiece: Simplify the workpiece clamping process, reduce preparation time, and improve work efficiency.

5. Easy Operation and Maintenance

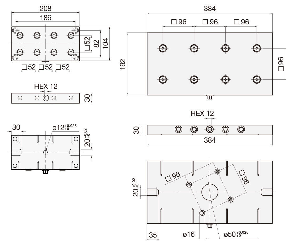
ZERO POINT RECTANGULAR MULTI PLATE/ GRID PLATE

SPECIFICATIONS 
Unit: mm
ModelLxWxHPull StudsWeight (kg)
M-52x52(7062)208x104x30M-52x52PS4.6
M-96x96(8062)384x192x30M-96x96PS14.7